
Cuando un relé es controlado por transistores, triacs, etc., es preciso adoptar medidas de protección, por que cuando se desconecta la bobina, aparece en sus terminales picos de tensión
inversa que pueden producir pulsos elevados que se transmiten a otros elementos instalados en la línea de la bobina.
En consecuencia, en la línea pueden aparecer pulsos de alto voltaje generados por la conexión o desconexión de motores, electro válvulas, transformadores, condensadores, etc.
Normalmente estos pulsos no afectan al relé, pero si tiene conectado un diodo de paso libre en parelelo, éste deberá soportar una tensión inversa superior a la que se pueda producir en la línea.
Por esto, en los relés de RelayGo, se instalan circuitos de protección que atenúan los pulsos generados por la propia bobina así como los procedentes de la línea.
| RELÉS RM - RQ | |
|---|---|
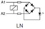
L - Led con puente rectificador |
|
D - Diodo de paso libre |
|
E - Diodos de polaridad y de paso |
|
U - Puente rectificador que permiten operar en VDC / VAC |
|
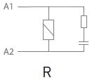
R - Circuito RC. No admite LED |
|
| Relés de remanencia | |
| Relés multitensión de 12 hasta 240V AC/DC, y de 0 hasta 400 Hz. |
|
| RELÉS RF | |
L - Led sin polaridad |
|
LE - Led polaridad A+ (opción) |
|
LU - Led sin polaridad sólo en 24 y 48 VDC (opción) |
|
R - Condensador y resistencia |
|
| HL - Relés multitensión de 24 hasta 240V AC/DC, y de 0 hasta 400 Hz. |
|
| Módulos MM | Relés interface RF | Relés industriales RM | Relés de potencia RP |
| Relés miniatura RQ | Relés ferrocarril RR | Unidades de tiempo TM | Relés especiales RE |
| Módulos MM | Relés interface RF | Relés industriales RM | Relés de potencia RP | Relés especiales RE |
| Relés miniatura RQ | Relés ferrocarril RR | Relés de estado sólido RS | Unidades de tiempo TM | Bases y accesorios |
| Certificados de calidad y homologaciones | Circuitos y accesorios de bobinas | Codificación y etiquetas | Consejos y trucos | Índice de simbologia y aplicaciones | Información técnica general |
¿Está interesado?…¿tiene preguntas acerca de los productos RelayGo ? entonces llámenos por teléfono al: +49 7082 940000 o envíenos un Fax al : +49 7082 940001, o escríbanos un correo al: consultar a Kühn Controls… nosotros nos ocupamos de su consulta…
Kühn Controls AG, Oficina de ventas Alemania, Gräfenhäuser Str. 14, 75305 Neuenbürg, Germany / Alemania • Tel.: +49 7082 94 00 00 • Fax: +49 7082 94 00 01 • contacto • Impressum / Aviso legal • Inicio.